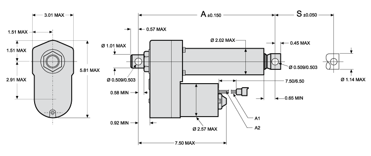
Description
Type : Thomson/Danaher Motion Actuator 12
Leads : Weatherpack Tower Connectors
Features :
- Stainless steel extension tube
- Overload clutch for mid and end of stroke protection
- Motor with thermal switch
- Maintenance free
Dimensions and Specifications

|
Property |
Value |
|
[A] |
15.9 in |
|
[S] |
8 in |
|
Gear Reduction |
20:1 |
|
Voltage |
12 Vdc |
|
Weight |
12 lbs |
Actuator 8, Thomson, Danaher Motion, D12-21B5-08
- Brand: Rogers Sprayers
- Product Code: 14100
- Availability: 26
-
USD $975.49


